江浙沪伴游纯出女孩招聘 ,上海419龙凤鲜花坊,深圳品茶工作室特色服务,全国24小时空降平台网站

弱电工程预算 · 研发 · 设计 · 施工 · 运维一站式服务专注弱电智能化工程23年

全国服务热线:028-8524-2007136-9348-6017

007弱电机房建设

热搜关键词: 弱电工程 弱电系统集成 多媒体会议 门禁一卡通 综合布线


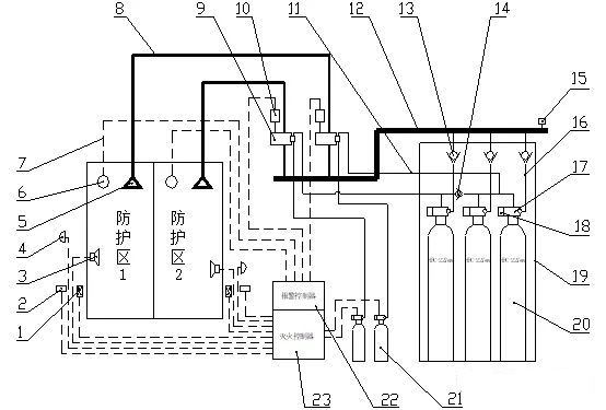
机房气体灭火系统

气体灭火系统_副本


系统特点


       与防雷系统一样,都是需要具备消防资质的专业公司才能进行设计及施工,所以本系统一般采用合作方式进行,由专业公司提供技术支持。

       由于气体灭火属于全淹没的灭火系统,对人体会造成毁灭性伤害,所以建议只在设备较多且无人值班的功能区采用气体消防,在需要人员值班的功能区还是采用普通喷淋消防系统比较保险。

       一般采用七氟丙烷自动灭火系统 ,根据机房面积确定使用管网或者无管网灭火方式,一般面积较小的机房(小于50平米),采用无管网方式,面积较大的机房需要采用管网方式。

       消防系统还要具备火灾报警功能,灭火装置具有自动、手动及机械应急操作三种方式 。

       气体消防系统:气体消防要求消防区域空间必须密封。



服务热线:028-8524-2007

立即咨询

机房气体灭火系统示例图

图片1

系统应用场景

广泛应用于:各类型工厂、园区、政府、企事业单位机房等。

应用场景工厂

工厂

应用场景园区

园区

应用场景医院

医院

应用场景企事业单位

企事业单位

服务优势

007弱电
立足成都20年,4125+工程案例见证 为您提供弱电智能化工程一站式解决方案
联系方式:028-8524-2007立即咨询

+不知道怎么预算?

007科技用20年的弱电行业从业经验,通过10000+案例预算,可以免费上门勘察,免费为客户做全方位的预算。

+工程预算不够怎么办?

预算不够并不代表要选用不好的品牌和落后的技术,007科技的市场人员均在行业从业10年以上,可以深度交流,在有限的预算下合理利用资源、出具更优方案。

+设计院出图可直接用于招标吗?

一般不能,需要有经验的弱电工程公司进行二次深化设计后再进行招标。

+没有图纸或只有平面图怎么办?

成都007科技可以免费上门勘察,深度消化需求,结合客户预算做出科学合理的系统设计、点位安排?;队吹缱裳?。

+没有可用于招标的配置清单怎么办?

我们可以结合实际需求做出配置清单。提供:系统功能及技术说明、图纸及点位分布、品牌及参数选型。

+不清楚立项预算方案设计招标怎么办?

007科技携行业20年从业经验一站式解决从项目立项、预算、设计、招标、施工、售后全过程管控服务。

+监控,消防,强电,能源管理,门禁停车可以集成到一个平台吗?

可以,基于建筑的一切强弱电系统和OA、MES、WMS、ERP、公众号等一切数据集成到一个智能化平台上进行管理和维护。

+弱电工程施工及售后有保障吗?

007科技项目经理持有贰级及以上建筑师资格证且从业15年以上行业项目管理经验;根据客户需求007科技提供终身维修维护。

为什么选择007科技

01

经验丰富

专注弱电工程预算设计施工20年
国家高新技术企业、国家科技型中小企业
电子与智能化工程专业承包贰级资质
消防设施工程专业承包贰级资质
安全生产许可证、IS09001/14001/18001认证
七大施工团队,不外包、不分包。

经验丰富
02

案例丰富

500强企业10+
上市公司32+
168家名企选择
4125家客户见证
服务覆盖西南,创造三个月46家工厂横跨500公里弱电施工竣工记录。

案例丰富
03

售后及时

5000+售后问题知识库沉淀
四支售后团队7x24小时全天候服务
售后质保金回款率99%

售后及时
04

质量保障

硬件设备原厂保障,终身维护
施工质量、进度、安全、成本、协调五大体系九大措施,验收合格率高。

质量保障
05

一站式集成

弱电64个子系统
347家核心供应商
七大专注售前设计工程师
定制个性化解决方案

一站式集成
06

研发能力强

17项软件著作权,总结开发IBMS建筑智能化管理系统和BIM可视化运维管理系统;
对建筑物的空调、给排水、能源管理、照明、消防、视频监控、安防报警、门禁一卡通、电梯控制、停车场管理、广播、信息发布、充电桩、机房监测等多个子系统集成管理与运维。

研发能力强
07

有战斗力的服务团队

全员分红、优秀员工持股、孝心基金
流程化、标准化、内部市场化
打造“快乐、有魂”团队。

有战斗力的服务团队
  •  经验丰富
  •  案例丰富
  •  售后及时
  •  质量保障
  •  一站式集成
  •  研发能力
  •  服务团队

客户案例

相关项目

视频监控系统

视频监控系统

视频监控系统,主要由前端监视设备(如枪式摄像机、球机、半球、热成像摄像机、鱼眼摄像机、鹰眼摄像机等)、传输设备(接入交换机、无线传输设备、光纤综合布线、光纤收发器等)、后端控制显示设备(硬盘录像机、解码器、NVR、CVR、监控服务器、LCD拼接屏、LED大屏等)这三大部分组成,其中后端设备可进一步分为中心控制设备和分控制设备。
电子巡更系统

电子巡更系统

电子巡更系统,主要由巡更棒、通讯座、巡更点、人员点(可?。?、事件本(可?。?、管理软件(单机版、局域版、网络版)等组成。电子巡更系统:采用通信、UWB实时定位、视频监控等技术来确保巡检人员的真实到位。
消防预警系统

消防预警系统

消防预警系统,一般由火灾探测器、区域报警器和集中报警器组成;可以根据工程的要求同各种灭火设施和通讯装置联动,以形成中心控制系统。即由自动报警、自动灭火、安全疏散诱导、系统过程显示、消防档案管理等组成一个完整的消防控制系统。
人脸识别抓拍系统

人脸识别抓拍系统

企业、住宅、办公楼的安全和管理:在一些关键出入口、通道等卡口位置加强对进出人员的管理和安全防范。主要应用在对一些敏感人员布控,一旦发现可疑人员进出(黑名单人员),系统自动报警,并提示安保人员。
最新资讯
厂务监控系统(FMCS)能监控哪些设备?
2026.01.20

头 条 厂务监控系统(FMCS)能监控哪些设备?

厂务监控系统(FMCS)是工业自动化的重要部分,在监测和管理工厂设备方面发挥着不可或缺的作用。在工厂中,电气设备是主要的监控对象。这些设备包括高压与低压配电系统、电机、变频器和电气柜等。它们的正常运行直接影响到工厂的生产效率和安全性。借助监控系统,可以实时检测电气设备的状态,包括电压、电流和功率因数等,从而及时识别异常... 【详情+】